- 详细信息

技术参数

外形尺寸

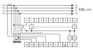
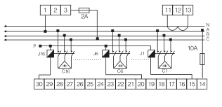
接线图
LGJKW5C-12接线图(380V)(开孔尺寸:113mm×113mm) LGJKW5C-12接线图(220V)(开孔尺寸113mm×113mm) 

LGJKG2B-12接线图(220V)(开孔尺寸:162mm×102mm) LGJKG2B-12接线图(380V)(开孔尺寸:162mm×102mm) 

LGJKW58接线图(380V)(开孔尺寸:139mm×139mm) LGJKW58-12接线图(220V)(开孔尺寸:139mm×139mm) 

LGJKWD5-12接线图:
(开孔尺寸:113mm×113mm)
Ua、Un电压信号输入端:
la、ln电流信号输入端
V:控制信号公用端DC+12V;
K1-K12;输出控制信号
